Одноламповий УКХ-трансивер 1944 року

Одноламповий УКХ-трансивер 1944 року
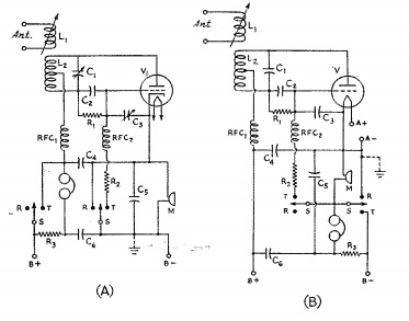
На OneTubeRadio.com ми завжди шукаємо однолампові радіостанції, і сімдесят років тому QST пропонувала ці схеми для однолампового AM-трансивера для УКХ-діапазону. Оскільки війна на певний час припинила роботу аматорського радіо, цю схему було розроблено для WERS на частоті 112 МГц.
У конструкції також враховувався дефіцит деталей воєнного часу, оскільки радіостанція має мінімальну кількість деталей, можливих для створення функціонуючого приймача-передавача. Автор зазначає, що можна використовувати майже будь-яку приймальну трубку, і включає дві схеми, одна з яких показує прямий катод, а інша - з окремим катодом і ниткою розжарення. Показано прототип пристрою, вбудований у коробку для сигар. Антена, чвертьхвильова диференціальна антена, підключається до верхньої частини радіостанції. (У наші дні вертикальна диференціальна антена для УКХ-діапазону більш відома як J-полюсна антена .)
Схема, по суті, є регенеративним приймачем з вугільним мікрофоном, який контролює струм, що подається на катод. Хоча відсоток модуляції низький, автор вважає її цілком достатньою для роботи на короткі відстані.
Автор рекомендує лампу 6J5 для схеми з катодом або 1LE3 чи 1G4 для схеми лише з нитками розжарення, але майже будь-яка лампа підійде. Автор не надає жодних подробиць щодо продуктивності (оскільки, ймовірно, не зміг протестувати її в ефірі під час війни). Але він зазначає, що «для трансивера, який коштує лише два долари або менше, як цей, будь-який досяжний діапазон має бути задовільним».
Сумнівно, чи відповідатиме ця проста схема чинним вимогам FCC щодо спектральної чистоти для використання на радіоаматорських діапазонах. Зрештою, навіть під час прийому регенеративний приймач випромінює. Однак, якщо звернути певну увагу, цілком ймовірно, що ця схема буде легальною на частоті 49,82–49,90 МГц, згідно з розділами 15.235 та 15.23 правил FCC.
Цікаво, що автор цієї статті згадується на цьому сайті не вперше. Статтю QST написав Гурдон Абелл, W2IXK. Схоже, що пізніше він переїхав до Коннектикуту та отримав ліцензію K1EHG після війни. Він помер у 1999 році у віці 82 років. Його згадували тут у попередній публікації, і не буде неправильно сказати, що він був першовідкривачем зв'язку розсіяного метеорита на УКХ-діапазоні.
Ви можете знайти оригінальну статтю
OneTubeRadio.com
У Миколаївській області знайшли склад боєприпасів з авіаракетою та мінометними мінами - відео з місця
Центр Миколаєва заливає водопровідною водою: відео події
У Римі під час пам'ятних заходів напали на людей з українськими прапорами: є постраждалі (відео)
Любовний чотирикутник з ілюзією: прем'єра вистави «Щасливий шлюб» на миколаївській сцені (фото, відео)
У Миколаївському театрі відбулася прес-конференція, присвячена виставі «Щасливий шлюб» (фото)
Мотоцикл врізався в «Теслу»: у центрі Миколаєва автомобільний затор
Вибух у багатоповерхівці Миколаєва: що розповіли очевидці (відео)
У центрі Миколаєва автомобільний затор через ремонт дороги: відео з місця
ТЦК у Харкові підозрюють у тортурах та викраденні людей: у ДБР показали відео та розкрили деталі справи













